Contact | 中文站Hello, welcome toJiangyin Zhongxin Engineering Equipment Co.,LTD official website!

Jiangyin Zhongxin Engineering Equipment Co.,LTD

Professional hydraulic winch, metallurgical equipment
Hotline:+86-13701523462

Hydraulic Traction Winch YJP Series

YJP068 hydraulic winch


YJP068nei.jpg

Introduction

YJP068 hydraulic winch consists of hydraulic motor, 2-stage planetary gear reducer, arrester, drum, etc.

Features

1.Full-float typed planetary gear reducer makes the operation more stable,the structure more reasonable.

2.Adopt multidisc-typed friction normally-closed brake makes the brake torque larger, safer and more reliable.

3.The product is featured by its small size, compact construction and high transmission efficiency.

4.Free spooling function.

5.Adopt high efficiently hydraulic motor with long use life.

6.The installation bracket can be manufactured according to the customer's requirement.

7.According to the requirement of customers, manufacture the balance valve and shuffle valve special for this winch.

8.Adopt manual, or pneumatic clutch.

9.Manufacture according to GJB82-86 National Military Hydraulic Winch Standard.

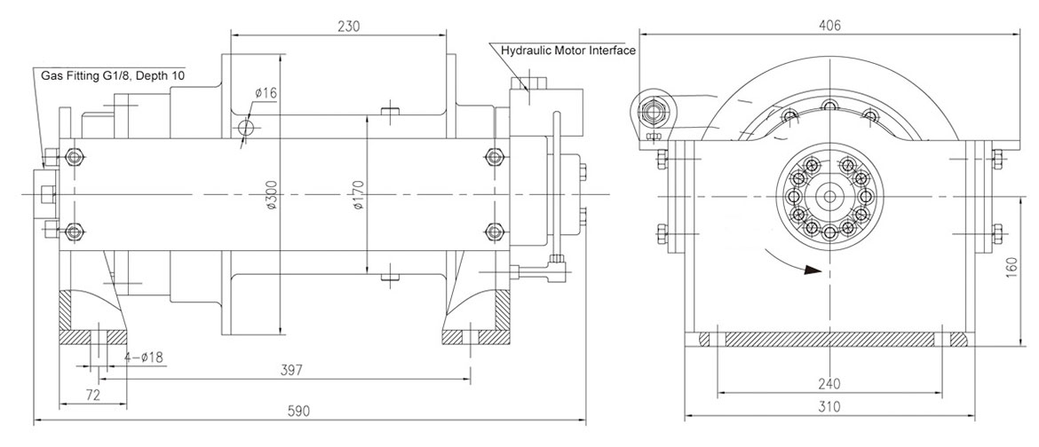
Product structural drawing

YJP068jiegou.jpg

Performance

YJP068.jpg

*We reserve the right to change due to technical improvement.