联系我们 | 网站地图 | RSS | ENGLISH 您好,欢迎访问江阴中新工程设备有限公司官网!

江阴中新工程设备有限公司

专注液压绞盘、冶金装备
全国咨询热线:18861627271

液压提升绞盘YT系列

您所在的位置:首页 > 液压绞盘 > 液压提升绞盘YT系列 > 正文

YT110液压绞盘


YT110.jpg

产品简介

本公司生产的YT110液压绞盘,安装在探矿作业机械上吊重物用。

结构特点

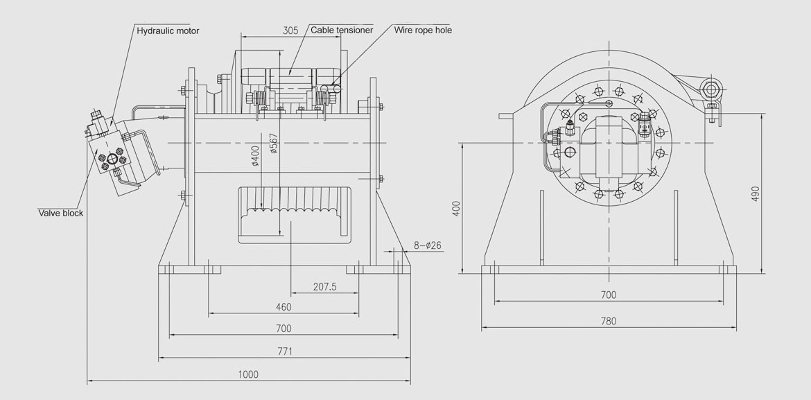
YT110液压绞盘主要由马达、行星齿轮减速器、多片式常闭摩擦制动器、卷筒、阀块(含平衡阀、梭阀、电磁阀)、压绳器等附件组成。产品具有体积小、结构紧凑、传动效率高的特点。

产品结构图

YT110结.jpg

性能参数表

中新_页面_26--YT110.jpg

*我们保留由于技术改进可能引起变动的权利

    上一篇: YJA125液压绞盘