
产品简介
YJP100液压绞盘由液压马达、二级行星齿轮减速器、制动器、卷筒等组成。
结构特点
1.采用全浮动式行星齿轮减速器,使运转更平稳,结构更合理。
2.采用多片式摩擦常闭制动器,制动力矩大,安全性可靠。
3.产品具有体积小,结构紧凑,传动效率高的特点
4.具有自由放绳功能。
5.采用效率高的液压马达,使用寿命长。
6.安装支架可根据用户要求另行制造。
7.可根据用户需要,配制该绞盘专用的平衡阀、梭阀。
8.采用手动,气动离合装置。
9.按国家军用液压绞盘标准GJB82-86制造。
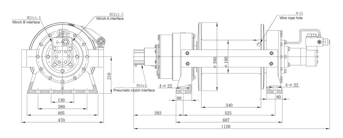
产品结构图

性能参数表

*我们保留由于技术改进可能引起变动的权利